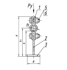
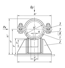
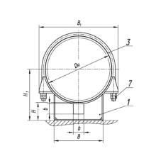
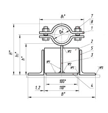
Опоры ТПР (Трубопроводов Подвижные Регулируемые) предназначены для крепления и компенсации тепловых перемещений надземных теплопроводов. Они обеспечивают надежную фиксацию и правильное направление движения труб, предотвращая деформации и повреждения.
Использование опор ТПР повышает срок службы и безопасность эксплуатации тепловых сетей. Конструкции позволяют снизить нагрузку на элементы системы и минимизировать потери тепла.
Изделия изготавливаются из высокопрочной стали с антикоррозионным покрытием, что гарантирует их долговечность и устойчивость к агрессивным средам. Соответствуют требованиям ГОСТ и СТБ.
В ассортименте представлены различные типоразмеры, включая ТПР.04, ТПР.05, ТПР.06, ТПР.07 и ТПР.08, для труб разного диаметра и нагрузок. Возможно изготовление по индивидуальным чертежам.
