Оболочки для теплоизоляционных отводов предназначены для защиты и герметизации теплоизоляции на поворотных участках трубопроводов. Они применяются в системах отопления, водоснабжения и промышленных коммуникациях, обеспечивая целостность изоляционного слоя на сложных участках трассы.
Использование специализированных оболочек значительно увеличивает срок службы теплоизоляции, предотвращает потери тепла и защищает от конденсата. Это ключевой элемент для энергоэффективности и бесперебойной работы инженерных систем.
Изделия производятся из высококачественного алюминия или оцинкованной стали, что гарантирует их прочность, долговечность и стойкость к коррозии. Они надежно фиксируют утеплитель и сохраняют его свойства.
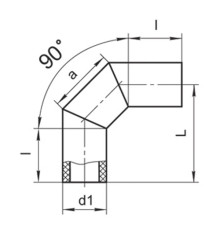
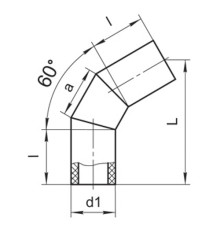
Мы предлагаем полный набор решений для монтажа: оболочки на отводы 30, 45, 60 и 90 градусов. Это позволяет подобрать оптимальную конфигурацию для любого проекта и обеспечить аккуратный внешний вид трубопровода.
