• Наличие
    В наличии
Цена по запросу

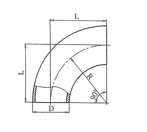
Теплоизоляционные отводы на 90 градусов предназначены для эффективного утепления поворотных участков трубопроводов. Они обеспечивают непрерывный тепловой контур, предотвращая потери тепла и образование конденсата в узлах сложной конфигурации.

Использование данных элементов позволяет значительно снизить энергозатраты, защитить коммуникации от промерзания и коррозии, повысив общую надежность и срок службы системы.

Изделия характеризуются высокими теплоизоляционными свойствами, стойкостью к температурным перепадам и долговечностью. Доступны различные диаметры (от 18 до 1020 мм) и толщины изоляционного слоя (от 20 до 100 мм) для подбора под конкретные задачи.

Мы предлагаем широкую вариативность размеров для труб любого диаметра. Оформите онлайн-заказ для получения коммерческого предложения с ценами для юридических лиц.

Отзывов: 0

Нет отзывов об этом товаре.

Вопросов: 0

Пока нет вопросов об этом товаре. Станьте первым!